Η ενσωματωμένη μονάδα εκπομπής ακτίνων UV-C πραγματοποιεί αποτελεσματική και αποδοτική αποστείρωση του αέρα τόσο στην επιφάνεια του πηνίου της μονάδας όσο και στον αέρα
που διέρχεται από αυτήν. Η απόδοση αυτής της μονάδας έχει πιστοποιηθεί
από το ανεξάρτητο εργαστήριο Texcell.

Σύμφωνα με τις απαιτήσεις των χρηστών, η στατική πίεση μπορεί να ρυθμιστεί με τον ελεγκτή καλωδίων αντί του παραδοσιακού τρόπου αλλαγής των κόκκινων και λευκών ακροδεκτών. Η μέγιστη στατική πίεση ολόκληρης της σειράς μπορεί να φτάσει τα 100Pa.
Η μονάδα μπορεί να συνδέσει πολλαπλά δωμάτια μέσω αεραγωγού και μπορεί να τοποθετηθεί ευέλικτα σύμφωνα με διαφορετικούς τύπους σπιτιών, ένα κλιματιστικό, κοινή χρήση πολλών δωματίων.


Τυπική αντλία ανύψωσης νερού συμπυκνώματος, τυπική κεφαλή 700 mm και ενσωματωμένος διακόπτης πλωτήρα, βολικό να συνεργαστεί με την πραγματική κατάσταση του χώρου, κλιματισμός απόρριψης νερού συμπυκνώματος.
Στις εσωτερικές μονάδες επιτρέπει τη ρύθμιση της αναλώσιμης συμπίεσης μέσω του ενσύρματου ελεγκτή του χρήστη.


Οι συσκευές διαθέτουν ενσωματωμένη αντλία συμπυκνωμάτων με μεγάλη ανυψωτική ικανότητα - έως 450 mm.
Τρεις τρόποι αποστράγγισης.


Η μονάδα με τα ηλεκτρικά εξαρτήματα βρίσκεται ακριβώς κάτω από τη γρίλια, γεγονός που επιτρέπει την εύκολη εκτέλεση εργασιών συντήρησης.
| Προδιαγραφές | Μονάδες | MIDJ- 05X1EV2AA |
MIDJ- 07X1EV2AA |
MIDJ- 09X1EV2AA |
MIDJ- 12X1EV2AA |
MIDJ- 16X1EV2AA |
MIDJ- 18X1EV2AA |
MIDJ- 24X1EV2AA |
MIDJ- 28X1EV2AA |
MIDJ- 30X1EV1AA |
MIDJ- 38X1EV1AA |
MIDJ- 48X1EV1AA |
MIDJ- 54X1EV1AA |
| Χωρητικότητα | |||||||||||||
| Ψύξη | kW | 1,50 | 2,20 | 2,80 | 3,60 | 4,50 | 5,60 | 7,10 | 8,00 | 9,00 | 11,20 | 14,00 | 16,00 |
| Θέρμανση | kW | 1,70 | 2,50 | 3,20 | 4,00 | 5,00 | 6,30 | 8,00 | 9,00 | 10,00 | 13,00 | 16,30 | 18,00 |
| Ηλεκτρικές παράμετροι | |||||||||||||
| Παροχή ρεύματος | Ph/V/Hz | 1/220~230/50/60 | |||||||||||
| Εξαερισμός | |||||||||||||
| Ροή αέρα (H/M/L) | m3/h | 515/ 440/390 |
545/ 470/390 |
545/ 470/390 |
570/ 495/420 |
700/ 625/550 |
915/ 765/640 |
1275/ 1050/875 |
1275/ 1050/875 |
1450/ 1200/1000 |
2000/ 1700/1400 |
2150/ 1700/1400 |
2350/ 1950/1600 |
| Ηχητική πίεση (H/M/L) |
dB(A) | 29/27/25 | 30/28/25 | 30/28/25 | 31/29/27 | 32/30/28 | 33/31/29 | 34/31/29 | 35/33/30 | 36/33/30 | 38/35/32 | 40/36/32 | 42/38/34 |
| Ηχητική ισχύς (H/M/L) |
dB(A) | 41/39/37 | 42/40/37 | 42/40/37 | 43/41/39 | 44/42/40 | 45/43/41 | 46/43/41 | 47/45/42 | 48/45/42 | 50/47/44 | 52/48/44 | 54/50/46 |
| Εγκατάσταση - Διαστάσεις | |||||||||||||
| Καθαρές διαστάσεις (ΠxΒxΥ) |
mm | 700x700x248 | 1100x700x248 | 1500x700x248 | |||||||||
| Συσκευασμένη μονάδα διαστάσεις (ΠxΒxΥ) |
mm | 932x835x280 | 1332x835x280 | 1698x857x305 | |||||||||
| Καθαρό/αθροιστικό βάρος |
Kg | 27,0/ 32,0 |
27,0/ 32,0 |
27,0/ 32,0 |
27,0/ 32,0 |
28,5/ 33,5 |
36,8/ 43,4 |
36,8/ 43,4 |
36,8/ 43,4 |
39,4/ 45,4 |
48,3/ 56,5 |
51,3/ 59,5 |
51,3/ 59,5 |
| Ø Σωλήνας υγρού | mm (ίντσα) |
6,35 (1/4) |
6,35 (1/4) |
6,35 (1/4) |
6,35 (1/4) |
6,35 (1/4) |
6,35 (1/4) |
9,52 (3/8) |
9,52 (3/8) |
9,52 (3/8) |
9,52 (3/8) |
9,52 (3/8) |
9,52 (3/8) |
| Ø Σωλήνας αερίου | mm (ίντσα) |
9,52 (3/8) |
9,52 (3/8) |
9,52 (3/8) |
12,70 (1/2) | 12,70 (1/2) | 12,70 (1/2) | 15,88 (5/8) |
15,88 (5/8) |
15,88 (5/8) |
15,88 (5/8) |
15,88 (5/8) |
15,88 (5/8) |
| Στατική πίεση (Standard/Max.) |
Pa | 20/200 | 20/200 | 20/200 | 20/200 | 20/200 | 20/200 | 20/200 | 20/200 | 20/180 | 20/180 | 20/180 | 20/180 |
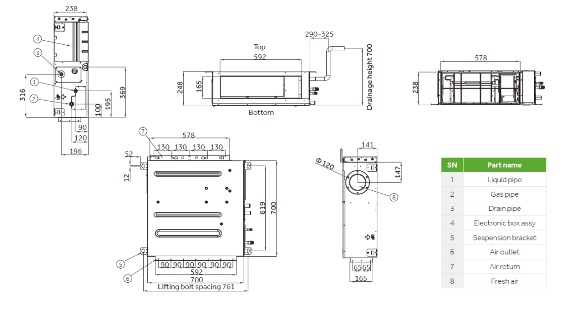
MIDG-38X1EV2AD(H) MIDG-48X1EV2AD(H) MIDG-54X1EV2AD(H) MIDJ-38X1EV1AA MIDJ-48X1EV1AA MIDJ-54X1EV1AA

Διαστάσεις
MIDJ-05X1EV2AA MIDJ-07X1EV2AA MIDJ-09X1EV2AA MIDJ-12X1EV2AA MIDJ-16X1EV2AA

Διαστάσεις
MIDJ-18X1EV2AA MIDJ-24X1EV2AA MIDJ-28X1EV2AA MIDJ-30X1EV1AA
